空氣流量計/壓縮空氣流量計 ( 國家認可的制造資質,第三方計量權威檢定 ) |
中華人民共和國計量器具生產許可證: 蘇制02000305號
渦街流量計(空氣流量計)執行標準: JJG1029-2007 |
| |
|
可測量氣體:
煤氣、空氣、天然氣、氮氣、液化石油氣、過氧化氫、煙道氣、甲烷、丁烷、氯氣、燃氣、沼氣、二氧化碳、氮氣、乙炔、光氣、氧氣、壓縮空氣、氬氣、甲苯、苯、二甲苯、硫化氫、二氧化硫、氨氣等 ! |
| |
熱式氣體質量流量計(DN25)
氣體流量計(DN50)
|
一體型氣體流量計
改進型氣體流量計:可靠、精準、領先
優點:
1、便于現場安裝的人性化壁掛設計。
2、溫度、壓力、密度、流量多物理量循環
3、停電記錄功能和歷史記錄查詢
先進性:
1、探頭密封件選用超軟異型非標金屬片:許多氣體流量計是探頭密封不嚴,造成漏水而報廢的,因為一般廠家都不具備高溫密封測試條件。
2、專為過熱蒸汽設計超高溫探頭,耐溫達450℃:選用進口高溫材料和巧妙結構進行特殊工藝封裝,成為國內封裝技術較領先的少數廠家之一
3、探頭采用四片晶體封裝結構,抗震性明顯增強:一般廠家只封裝兩片晶體,而另外兩片主要是防震作用。
4、傳感器的發生體是模注而成,批量生產,成本低:不銹鋼的金加工難度大,沒有一定批量,成本較高,而且外觀不美。
5、蒸汽計算軟件燒制在模塊芯片里,自動顯示質量流量:這套軟件分飽和蒸汽和過熱蒸汽兩個版本,在線顯示溫度、壓力、密度、流量值。
6、歷史記錄查詢功能,顯示日報表、月報表、年報表:可方便用戶進行計量結算。
7、停電記錄查詢功能,顯示停電時間和次數:可方便用戶計算未計量流量和防止偷漏蒸汽現象。
|
優量氣體流量計廣泛運用與科研、工業、商業以及生活的各個領域。在蒸汽、過熱蒸汽、飽和蒸汽、空氣、天燃氣等領域!
優量氣體流量計,屬于速度式流量計,是運用卡門渦街理論,采用壓電晶體檢測流體通過管道內三角柱時所產生的旋渦頻率,從而測量出流體的流量。
氣體渦街流量計作為氣體流量測量,具有許多優點:準確度高、結構簡單、安裝方便、可靠性好、輸出與流量測量值成正比的脈沖頻率信號、無零點漂移、便于進行流量累積計量、壓力損失?。ㄅc節流式流量計相比)等。 |
|
| |
高準度空氣流量計,第三方計量權威檢測! |
無錫優量技術咨詢:0510-82026888 83118288 |
Φ80mm精品級空氣流量計
防偽圖片不得擅自使用 |
|
|
 |
代辦無錫市計量測試院第三方權威測試,并出具檢測證書。
訂貨周期3天,電話:0510- 83118288 82026888 |
|
| |
|
| |
您的空氣流量計,準嗎?
國家認可制造資質,代辦第三方測試檢定,流量計放心! |
| |
|
|
計量器具生產許可證 |
型式批準證書(江蘇省質量監督局發) |
|
|
檢測合格證書(江蘇省計量研究院) |
校準證書(無錫市計量測試中心) |
|
| |
|
|
|
流量計防爆證書 |
第三方計量檢定證書 |
第三方計量檢定證書 |
|
| |
|
|
|
無錫市計量測試中心/氣體標定裝置 |
經無錫市計量測試中心標定過的蒸汽、氣體流量計安裝現場 |
|
| |
|
| |
每日推薦一款空氣流量計 |
|
2、過熱蒸汽流量計(180-350度)----溫壓雙補償的質量流量 |
過熱蒸汽的密度是隨溫度和壓力的變化而變化的,必須即時自動跟蹤補償,否則,誤差特別大,優量公司推出這款高精度產品供選擇。 優點:1、選用超高溫探頭,耐溫超300度 2、在線顯示溫度、壓力、流量、密度 3、可定制400度以上超高溫傳感器 |
|
|
|
|
優量 手機.電腦自動抄表 / IC插卡預收費
無錫優量技術咨詢:0510-8311828882026888 |
|
| |
過熱空氣流量計(180-350度)----溫壓雙補償的質量流量
無錫優量技術咨詢:0510-82026888 83118288 |
過熱蒸汽的密度是隨溫度和壓力的變化而變化的,必須即時自動跟蹤補償,否則,誤差特別大,優量公司推出這款高精度產品供選擇。
優點:1、選用超高溫探頭,耐溫超300度
2、在線顯示溫度、壓力、流量、密度
3、可定制400度以上超高溫傳感器 |
|
|
| |
|
|
優量儀表專業生產:全系列智能空氣流量計----產品更全,品種更多 |
| |
|
|
技術參數:
| 公稱內徑: |
DN15、DN20、DN25、DN32、DN40、DN50、DN65、DN80、DN100、DN125、 |
| |
DN150、DN200、DN250、DN300、DN350、DN400、DN450、DN500、DN600。 |
◆ 適用范圍:氣體(空氣、氧氣、氮氣、煤氣、天燃氣、化學氣體等)、液體(水、高溫水、油、食品液、化學液等)、蒸汽(飽和蒸汽、過熱蒸汽)。
◆ 可測介質溫度:-40℃~280℃、-40℃~350℃。
◆ 公稱壓力:≤1.6MPa 、≤2.5MPa 、≤4MPa。
◆ 精度等級:液體1級、氣體、蒸汽1.5級。
輸出信號:
電壓脈沖:低電平≤1V,高電平≥6V,脈沖寬0.4ms,負載電阻>150Ω。
標準電流:4-20mA,轉換精度±0.5%滿度值,負載電阻24V-500Ω。
現場液晶顯示:瞬時流量6液晶位顯示(m3/h),轉換精度±0.1%;累積流量8位顯示(m3),轉換精度±0.1%;
◆ 供電電源:
脈沖輸出:+24VDC,4-20mA輸出
現場液晶顯示:+24VDC 或3.6V 鋰電池。
◆ 環境溫度:電壓脈沖輸出:-30℃—+65℃;4-20mA輸出:-10℃—+55℃;現場液晶顯示:-25℃—+55℃
◆ 表體材料:不銹鋼(1Cr18Ni9Ti) |
|
| |
|
|
標況流量:
|
結構形式 |
通徑(mm) |
工況流量范圍(m3/h) |
液體 |
氣體 |
蒸汽 |
滿
管
式 |
15 |
0.3-3.8 |
3.8-38 |
4.4-44 |
20 |
0.5-6.2 |
6.7-67 |
7.9-79 |
25 |
0.9-10 |
10-100 |
12-120 |
32 |
1.6-16 |
16-160 |
19-190 |
40 |
2.5-26 |
25-250 |
30-300 |
50 |
3.5-38 |
40-400 |
50-500 |
65 |
5.2-65 |
68-680 |
85-850 |
80 |
8-100 |
100-1000 |
120-1200 |
100 |
12-150 |
160-1600 |
190-1900 |
125 |
20-250 |
230-2300 |
280-2800 |
150 |
32-380 |
380-3800 |
440-4400 |
200 |
50-620 |
670-6700 |
790-7900 |
250 |
80-1150 |
1060-10600 |
1200-12000 |
300 |
130-1400 |
1540-15400 |
1780-17800 |
插
入
式 |
400 |
180-2700 |
2700-27000 |
3200-32000 |
500 |
280-4200 |
4240-42400 |
4950-49500 |
600 |
410-6100 |
6100-61000 |
7100-71000 |
700 |
580-7300 |
7800-78000 |
9300-93000 |
800 |
720-10800 |
10850-108500 |
12660-126600 |
900 |
970-12000 |
13000-130000 |
15500-155000 |
|
| |
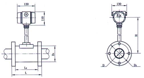
| 基本結構和安裝尺寸: |

渦街傳感器 |
插入式氣體流量計
|
插入式氣體流量計剖面圖
|
|
| |
外形尺寸: |
|
| |
廠家提供的優質配對法蘭
(經調質、發黑處理)
|
模擬圖
|
|
| |
無錫優量 ---- 快速供貨 快件發貨 |
1、智能空氣流量計有現貨。(Φ25-Φ300mm、不銹鋼材質、液晶顯示)
2、插入式空氣流量計訂貨后生產周期:5天 |
| |
請購買正宗的無錫優量公司產品,注意產品標識和包裝 |

優量專用標簽 |

優量專用彩色說明書 |
|
|
|
|
|